29426E
类型

球面滚子推力轴承

型号:29426E
厚度(mm):85
内径 d:130
外径 D:270

详细信息

基本尺寸 mm
  • d130
  • D270
  • H85
基本额定负荷 kN
  • 动态 C1560
  • 静态 Co4050
额定转速 r/min
  • 参考转速1300
  • 极限转速2400
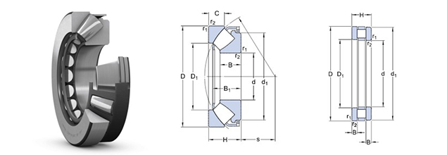
尺寸 mm
  • d130
  • d 1 ~234.4
  • D1 ~184.5
  • B54
  • B 1 76
  • C40.9
  • r 1,2 最小4
  • s81
挡肩及倒角尺寸 mm
  • d a 最小195
  • d b1 最大142.5
  • d b2 最大153
  • H a 最小-
  • Da 最大227
  • r a 最大3
疲劳负荷极限 Pu
  • 疲劳负荷极限 Pu430
最小负荷系数 A
  • 最小负荷系数 A1.6
质量 kg
  • 质量 kg22
型号
  • 型号*29426E