详细信息

两侧带防尘盖,用于高温应用场合的深沟球轴承
用于高温应用场合的单列深沟球轴承两侧带有防尘盖,设计用于恶劣运行条件下,某些型式能够承受的温度高达 250 °C 。 它们的径向内部间隙更大,使用可在高温下实现运行的耐高温润滑油脂。 它们在轴承寿命周期内终身润滑,而轴承的整个表面经过防锈处理,这增强了润滑油与金属之间的粘着力,改善了磨合属性。 由于深沟球轴承使用广泛,通用性强,能承受双向的轴向和径向载荷,且易于安装。
优化高温运行——最高可达250 °C
便于与对应 ISO 尺寸的润滑脂润滑轴承互换
增加可靠性,降低复杂型,并减少对环境的影响
嵌入式密封可延长轴承使用寿命
单列深沟球轴承的典型优势
10 mm 19 mm 5 mm ≈12.74 mm ≈17.15 mm min.0.3 mm min.12 mm max.12.5 mm max.17 mm max.0.3 mm 1.72 kN 0.83 kN 0.036 kN 80 00 r/min 3 000 r/min 0.015 14.8 max.250 °C P5尺寸
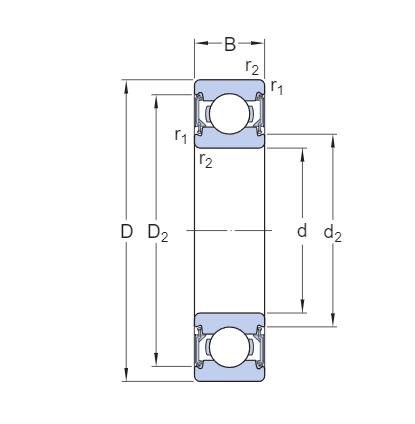
d 孔径 D 外径 B 宽度 d1 挡边直径 D2 凹槽直径 r1,2 倒角尺寸 挡肩尺寸
da 轴挡肩直径 da 轴挡肩直径 Da 轴承座挡肩直径 ra 轴或轴承座倒角半径 数据计算
基本额定动荷 C 基本额定静负荷 C0 疲劳载荷限值 Pu 参考转速 极限转速 最小载荷系数 kr 计算系数 f0 工作温度 T 公差等级
尺寸公差