详细信息

用于高温应用场合的深沟球轴承
高温应用场合的单列深沟球轴承设计用于恶劣运行条件,某些变型设计能够承受的温度高达 350 °C (660 °F)。 高温轴承增加了径向游隙,并使用经过优化,可在高温下运行的石墨基润滑油。 轴承的所有表面经过磷酸锰处理,这增强了润滑剂对金属的粘着力,改善了跑合性能。 由于深沟球轴承使用广泛,通用性强,能承受双向的轴向和径向载荷,且易于安装。
优化高温运行——最高可达350 °C ;
便于与对应 ISO 尺寸的润滑脂润滑轴承互换;
增加可靠性,降低复杂性,并减少对环境的影响;
单列深沟球轴承的典型优势
需要进行跑合 | 是 |
90 mm 140 mm 24 mm ≈105.95 mm ≈128.3 mm min.1.5 mm min.97 mm max.105.9 mm max.133 mm max.1.5 mm 50 kN 160 r/min max.250 °C尺寸
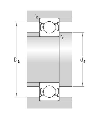
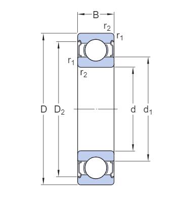
d 孔径 D 外径 B 宽度 d1 内圈挡边直径 D2 外圈挡边凹槽直径 r1,2 倒角尺寸 挡肩尺寸
da 轴挡肩直径 da 轴挡肩直径 Da 轴承座挡肩尺寸 ra 倒角半径 数据计算
基本额定静负荷 C0 极限转速 工作温度 T