详细信息

用于高温应用场合的深沟球轴承
高温应用场合的单列深沟球轴承设计用于恶劣运行条件,某些变型设计能够承受的温度高达 350 °C。 高温轴承增加了径向游隙,并使用经过优化,可在高温下运行的石墨基润滑油。 轴承的所有表面经过磷酸锰处理,这增强了润滑剂对金属的粘着力,改善了跑合性能。 由于深沟球轴承使用广泛,通用性强,能承受双向的轴向和径向载荷,且易于安装。
优化高温运行——最高可达350 °C ;便于与对应 ISO 尺寸的润滑脂润滑轴承互换;增加可靠性,降低复杂性,并减少对环境的影响;单列深沟球轴承的典型优势
需要进行跑合 | Yes |
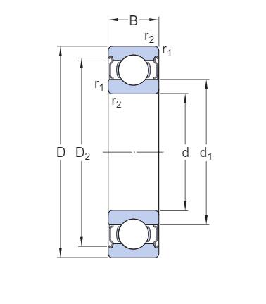
尺寸
d | 40 mm | 孔径 |
---|---|---|
D | 68 mm | 外径 |
B | 15 mm | 宽度 |
d1 | ≈49.25 mm | 内圈挡边直径 |
D2 | ≈61.1 mm | 外圈挡边凹槽直径 |
r1,2 | min.1 mm | 倒角尺寸 |
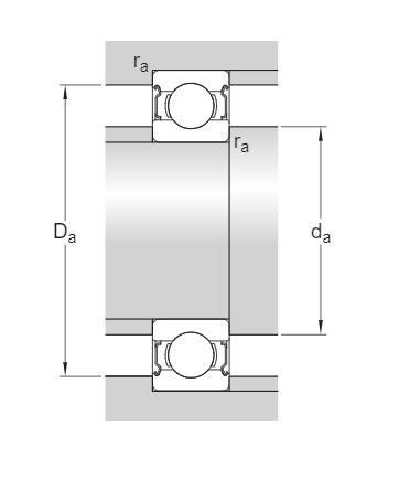
挡肩尺寸
da | min.44.6 mm | 轴挡肩直径 |
---|---|---|
da | max.49.2 mm | 轴挡肩直径 |
Da | max.63.4 mm | 轴承座挡肩尺寸 |
ra | max.1 mm | 倒角半径 |
数据计算
基本额定静负荷 | C0 | 11 kN |
---|---|---|
极限转速 | 180 r/min | |
工作温度 | T | max.250 °C |