首页
产品中心
GYJ轴承
SIAIF轴承
关于我们
工艺流程
应用领域
检测设备
新闻中心
轴承知识
新闻资讯
行业动态
联系我们
EN
CN
首页
产品中心
关于我们
工艺流程
应用领域
检测设备
新闻中心
联系我们
EN
CN
SIAIF轴承
SIAIF轴承 SNL315TND
类型
SNL轴承座
型号:SNL315TND
厚度(mm):0
内径 d:0
外径 D:0
联系我们
返回列表
详细信息
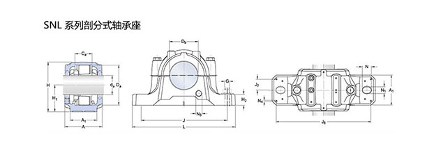
轴径
d a
75
d b
90
轴承座
A
140
A 1
100
H
194
H 1
100
H 2
35
J
290
L
345
N
28
N 1
22
G
20
型号
两侧 带密封件的 轴承座
SNL315TND
组件 轴承座
SNL518-615
密封件
TSN315ND
端盖
ASNH518-615
座孔
C a
68
D a
170
连密封件的总宽度
A 2
163
A 3
218
适用轴承和相关部件
自动调心球轴承 球面滚子轴承
21316E
定位环 每个轴承座 需要2个
FRB14.5/170
自动调心球轴承 球面滚子轴承 CARB轴承
22316E
质量
质量
12.5
相似轴承型号列表
SIAIF轴承 TSN317G
SIAIF轴承 SNL320TA
SIAIF轴承 SNL317TG
SIAIF轴承 TSN319A