详细信息

国扬精机轴承有限公司专业销售滚珠丝杠支撑轴承20TAC47B,国扬精机公司能针对客户的需求提供各种技术服务,对客户使用提供选型,安装,维修服务,为满足客户的紧急使用需求,本公司对20TAC47B轴承,滚珠丝杠支撑轴承系列产品备有一定的库存.。20TAC47B轴承广泛应用于:注塑设备,消音降噪设备,开放式冷水机,装载机械,回火炉,立式泵,冲床,绷网机,农机机械,蛋糕房设备,五金,螺旋板式换热器,脚踏焊机,破碎机械,制袋机,混凝土搅拌机,条码设备,空气净化设备,油田机械等领域。
基本参数
20TAC47B
型号
滚珠丝杠支撑轴承
系列
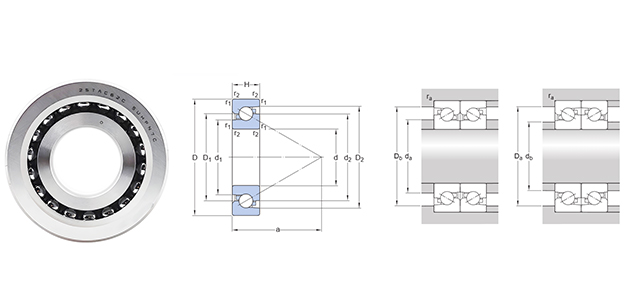
外形尺寸
20
d
47
D
15
B
1
r min
0.6
r1 min
尺寸
27.2
d1
34
d2
34
D1
39.6
D2
极限转速
6 000
Grease脂润滑
8 000
Oil油润滑
20TAC 47B
轴承代号
Mass重量(kg)
0.135
approx参考
额定动载荷
21 900
单列承受载荷(N)
2240
单列承受载荷(kg)
35 500
双列承受载荷(N)
3650
双列承受载荷(kg)
47 500
三列承受载荷(N)
4850
三列承受载荷(kg)
极限轴向载荷
26 600
单列承受载荷(N)
2710
单列承受载荷(kg)
53 000
双列承受载荷(N)
5400
双列承受载荷(kg)
79 500
三列承受载荷(N)
8150
三列承受载荷(kg)