YRTS395
类型

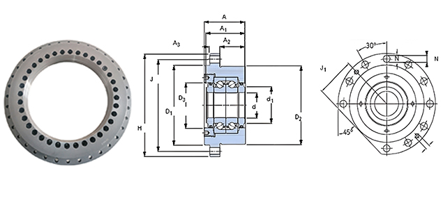
承受联合载荷的高精密轴承

型号:YRTS395
厚度(mm):0
内径 d:399
外径 D:541

详细信息

尺寸(mm)
  • d395-0.023
  • D525-0.028
  • h65
  • H 1 42.5
  • H 2 22.5
  • C20
  • D 1 486
  • J415
  • J 1 505
固定孔
  • 内圈 d 1 9.3
  • 内圈 d 2 15
  • 内圈 a8.2
  • 内圈数量 3) 46
  • 外圈d s 9.3
  • 外圈数量 3) 45
带螺纹的退卸孔
  • GM12
  • 数量3
基本额定载荷
  • 轴向动载荷 C a N214000
  • 轴向静载荷 C oa N1540000
  • 径向动载荷 C r N121000
  • 径向静载荷C or N390000
旋转质量惯性矩
  • 内圈M M kg·cm 2 8352
  • 外圈M M kg·cm 2 4254
刚度
  • 支承位置 3) 轴向c aL kN/μm7.8
  • 支承位置 3) 径向c rL kN/μm2
  • 支承位置 3) 倾覆刚度c kL kN m /mrad195
  • 滚动体组件 轴向c aL kN/μm23.4
  • 滚动体组件 径向c rL kN/μm8.7
  • 滚动体组件 倾覆刚度c kL kN m /mrad582
型号
  • 型号YRTS395
质量 m ≈kg
  • 质量 m ≈kg33
角度 t1) 数量×t
  • 角度 t1) 数量×t48×7.5°
螺栓拧紧力矩 M A 2) N m
  • 螺栓拧紧力矩 M A 2) N m 34
极限转速 6) n G min –1
  • 极限转速 6) n G min –1 650